Amway, 安利
首页
关于安利
安利全球
安利中国
企业文化
安利品牌
新闻动态
反击谣言
安利产品
纽崔莱®营养保健食品
n*
XS®
雅姿®美容化妆品
家居科技
个人护理
安利创业
安利创业平台
地方之窗
认识安利
下载中心
安利画报
荣耀榜
社会责任
安利云购
各地店铺
会员入口
安利易联网
中文
安利全球官网
关于安利
首页
//
安利(中国)官方网站
//
企业证照及产品批件
//
食品企业标准
//
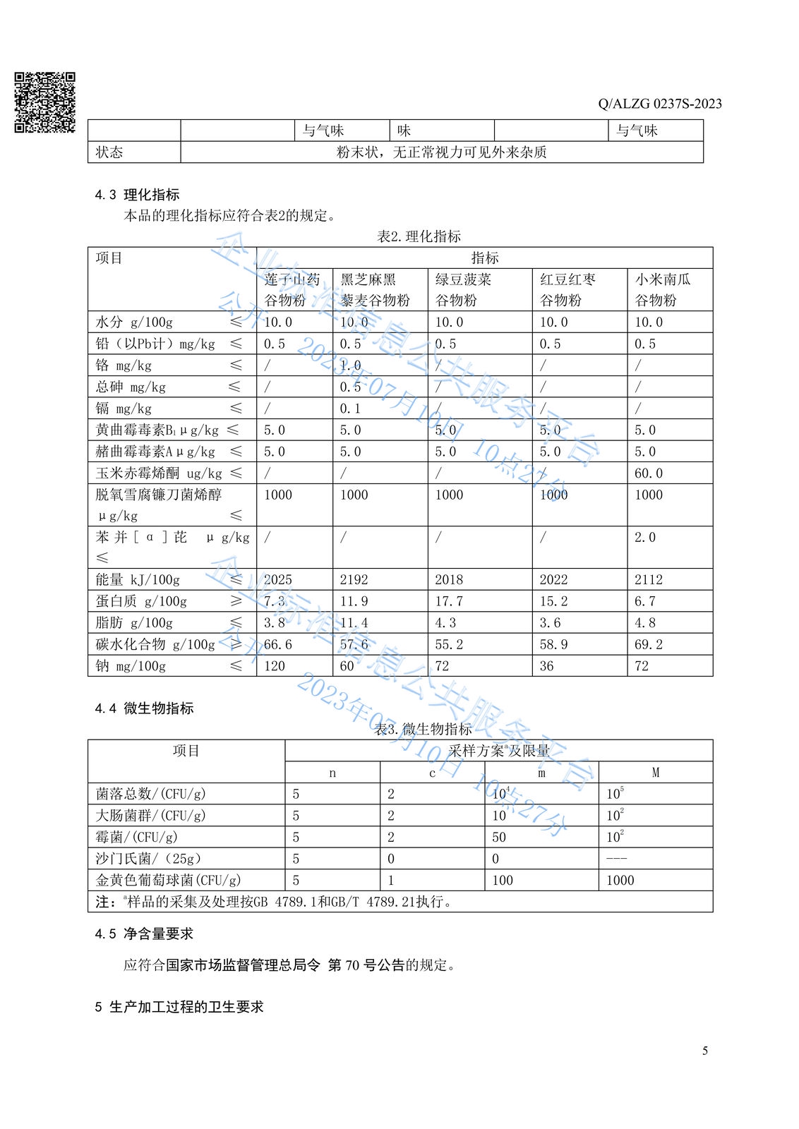
谷物粉
食品企业标准
企业标准
企业证照
产品注册/备案 信息查询
/
页